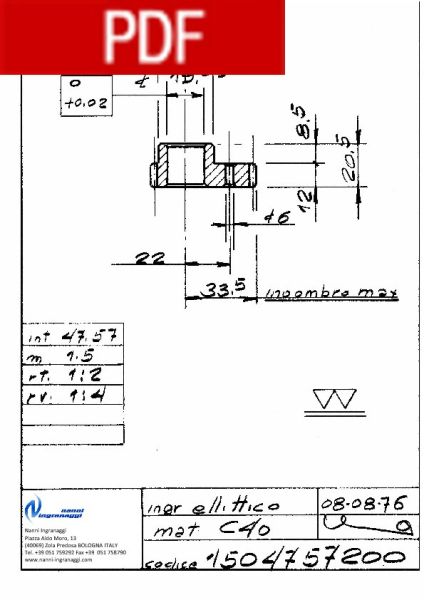
Sketch:
1504757200
Module:
1.5
Distance:
47.57
Ratio:
1:2
Click on the image to view the PDF.